+7 (912)-751-33-24Заказать звонок
Заказать звонок

Оставьте Ваше сообщение и контактные данные и наши специалисты свяжутся с Вами в ближайшее рабочее время для решения Вашего вопроса.

Ваш телефон
Ваш телефон*
Ваше имя
Ваше имя

* - Поля, обязательные для заполнения

Сообщение отправлено
Ваше сообщение успешно отправлено. В ближайшее время с Вами свяжется наш специалист
Закрыть окно
arbatex@list.ru
Каталог товаров
Подписка на новости магазина

Подпишитесь на рассылку и получайте свежие новости и акции нашего магазина.

Описание товара:

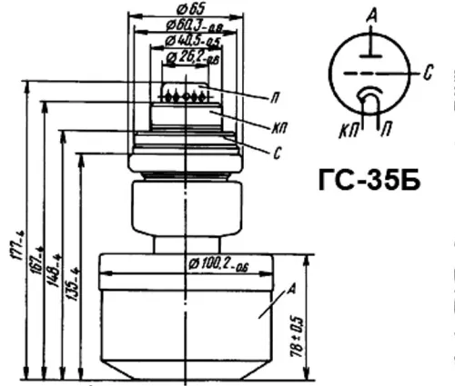
ГС-35Б высокочастотный триод предназначен для генерирования колебаний в автогенераторах с внешней обратной связью и усиления мощности в непрерывном режиме в схемах с общей сеткой на частотах до 1000 МГц., относится к разделу электровакуумных приборов и ламп различного назначения. По конструкции состоит из вакуумно-герметичной, жесткой оболочки, внутри которой отсутствует кислород.
5 590 руб. / шт Цена не является конечной и требует уточнения у менеджера.
Загрузка
Рассчитываем стоимость доставки
Пожалуйста подождите, рассчет займет немного времени

Описание товара

Описание

ГС-35Б высокочастотный триод предназначен для генерирования колебаний в автогенераторах с внешней обратной связью и усиления мощности в непрерывном режиме в схемах с общей сеткой на частотах до 1000 МГц., относится к разделу электровакуумных приборов и ламп различного назначения. По конструкции состоит из вакуумно-герметичной, жесткой оболочки, внутри которой отсутствует кислород.

Параметры и характеристики


Высокочастотный триод ГС-35Б предназначен для генерирования колебаний в автогенераторах с внешней обратной связью и усиления мощности в непрерывном режиме в схемах с общей сеткой на частотах до 1000 МГц.

Оформление - металлокерамическое.

Охлаждение - воздушное.

Масса - 2,8 кг.

Технические условия: СТ3.323.055 ТУ.


Основные технические параметры
при uн=12,6 В; ua=2,5 кВ; la=400 мА
Ток накала

2,95  ±0,3 А

Ток эмиссии катода в импульсе (при ua=600 В)

не менее 15 А

Напряжение сетки в рабочей точке

не менее 9 ±3 В

Крутизна характеристики (при uc1=1 В)

не менее 30 мА/В

Проницаемость (при ua=-200 В)

не менее 1  ±0,2 %

Полезная мощность

не менее 350 Вт

Междуэлектродные емкости:

- входная

21  ±3 пФ

- выходная

не более 0,12 пФ

- проходная

4,5  ±0,7 пФ

Долговечность

не менее 500 ч


Предельные эксплуатационные характеристики:
Ток катода

1,4 А

Напряжение накала

11,9...13,3 В

Напряжение анода

3 кВ

Напряжение анода (мгновенное значение)

6 кВ

Напряжение сетки (мгновенное значение)

120 В

Напряжение сетки

-400 В

Мощность, рассеиваемая анодом

2 кВт

Мощность, рассеиваемая сеткой

26 Вт

Температура анода

200°С

Температура выводов катода и сетки

120°С

Интервал рабочих температур окружающей среды

от -60 до +100 С

Добавить отзыв
Ваша оценка:
Отправить отзыв

Похожие товары (8)

5 590 руб. / шт Цена не является конечной и требует уточнения у менеджера.
ГС-35Б высокочастотный триод
Задать вопрос

Ваше имя*
Контактный телефон*
E-mail
Вопрос*

* - Поля, обязательные для заполнения

Сообщение отправлено
Ваше сообщение успешно отправлено. В ближайшее время с Вами свяжется наш специалист
Закрыть окно
Купить в один клик
Заполните данные для заказа
Запросить стоимость товара
Заполните данные для запроса цены
Запросить цену Запросить цену